
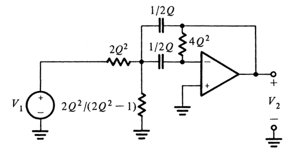
Bandpass Filter Design using Geffe's Algorithm
AnalogPython tool for automated analog bandpass filter design using Geffe's algorithm and Delyiannis-Friend op-amp circuits. Generates component values and Bode plots.

Python tool for automated analog bandpass filter design using Geffe's algorithm and Delyiannis-Friend op-amp circuits. Generates component values and Bode plots.

Restore and modernize a vintage Fisher stir plate with a PIC24 microcontroller, stepper motor driver, thermocouple temperature sensing, and LCD menu interface.

Implement digital controllers for the teeter totter platform including open-loop, lead compensation, and bridged-T network designs. Achieves 20x improvement in settling time on ARM Cortex-M4.

Build a teeter totter control system demo platform using skateboard bearings, electromagnets, and IR sensors. Covers construction, sensor/actuator characterization, and transfer function modeling.

Walkthrough of how to sample continuous-time signals into the digital domain using Nyquist-Shannon, Fourier Transforms, and MATLAB examples to pick practical sample rates and define essential bandwidth without wasting compute or losing information.

Intro guide to surface mount soldering with step-by-step video demos and short explanations for handling common smd packages using solder paste, hot air, and an iron.

Learn how to automate your test equipment using Python and PyVISA. This guide covers SCPI commands, NI VISA drivers, and includes a complete example for characterizing amplifier frequency response.